AVN Gruppen
|
AVN Pladeteknik
|
AVN Hydraulik
|
Masytec
Vagttelefon:+45 70 24 45 18
Kundeservice +45 70 20 04 11
Om AVN Teknik
|
Kontakt
Om teknik
Information
Webshop
Industri
Hygiejne/aftørringspapir
Tape, Lim & bånd
Svejseartikler
Slibeartikler, Børster og File
Håndværktøj & Værkstedsinventar
El- & luftværktøj
Holdende- & skærende værktøj
Måle- og Opmærkningsværktøj
Kemi
Løftegrej
Show all
Produktionsteknik
Walter Drejning
Walter Boring
Walter Gevindskæring
Walter Fræsning
Walter Adaptere
Indbygningsdele og tilbehør
Montageløsninger
Nitter
Create account
Globe Light Streamline Icon: https://streamlinehq.com
Sprog
Log ind
Kurv
0
Søg efter varegrupper, produkter eller indhold
Webshop
Industri
Holdende- & skærende værktøj
Holdende Værktøj
Rullepinoler
Diesella Rør Rullepinol
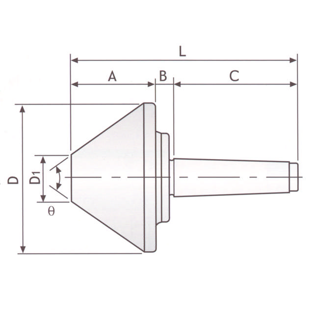
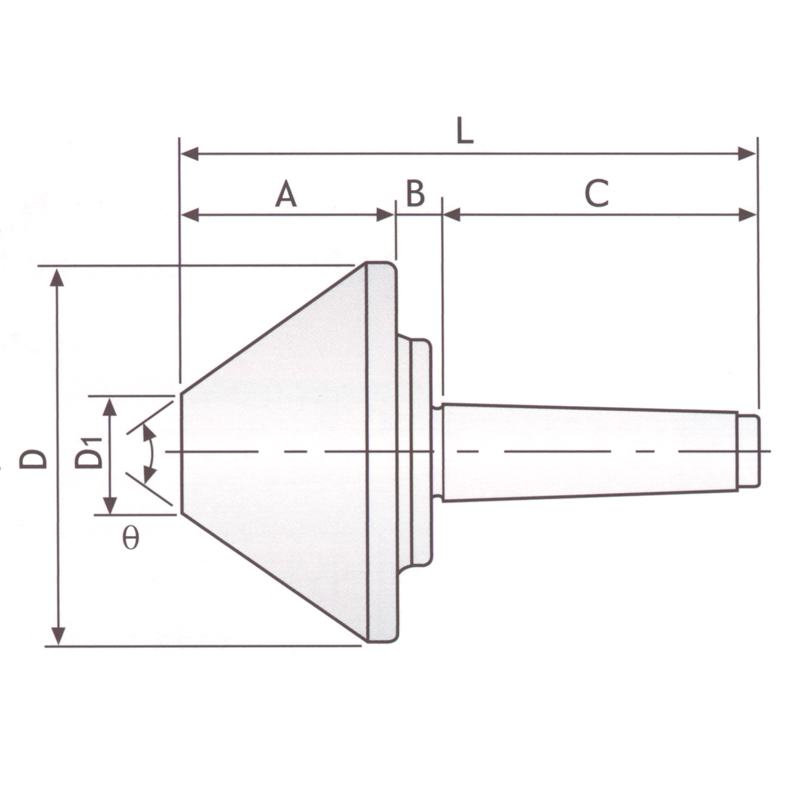
Diesella rør rullepinol MK3 106x25mm
Diesella rør rullepinol MK3 106x25mm
Previous
Next
Diesella rør rullepinol MK3 106x25mm
50315310
Forespørg på produkt
Produktforespørgsel
Close product request modal
VGTEST: 50315310
Product specifications
Favorite list updated